老旧架空蒸汽保温管网改造案例分析
潘存业、杨智丽、李德恒、王海利、卢雨萌
河北君业科技股份有限公司
摘要:自上世纪八十年代供热保温管道由国外引进国内已经有30余年历史,早期的保温管道在保温结构设计和管道施工中还存在一些不足,现在国内有大量使用10年以上的老旧管道在性能上已经不能满足使用,存在热损失大,安全性低等问题,老旧管网的改造是势在必行的一项大工程,本文根据实际改造案例说明老旧架空蒸汽保温管网在改造过程中的注意事项和改造优化方案,对行业内技术人员有一定的参考意义。
关键词:架空蒸汽保温管道、老旧管网改造、热损失、温降、压降
一、项目设计参数:
1.工作管:DN350
2.温度:260℃(入口),大于220℃(出口)
3.工作压力:0.8MPa(入口),大于0.6MPa(出口口),
4.管线长度:3km
5.环境温度11.5℃;
6.年平均风速2.3m/s;
7.热损失要求:《工业设备及管道绝热工程设计规范》GB50264-2013常年年运行热损失小于等于52W/m2;
8.设计使用寿命为15年。
二、工程现状
1.温降情况::260℃(入口),180℃(出口),温降达到100℃;
2.压降情况:0.8MPa(入口),0.66MPa(出口),符合设计要求;
3.原有保温管道采用三层硅酸铝针刺毯作为保温材料,原设计施工保温厚度为150mm,现上层厚度平均为90mm,下层厚度平均为176mm,且呈现不均匀形态;
4.外护层为镀锌钢板,保温材料历时年久,保温效果差,常年热损失平均为216W/m2,总温降为80℃,管网已不能满足使用要求。
5.管道已服役8年。
三、原因分析
针对现状,分析造成热损大和温降大的原因有以下几点:
1.本工程为架空管道,管托4-5m一个,且管托与工作管直接焊接,无隔热保温措施,工作管道与管托形成热桥是造成热损失的一方面原因。
2.该工程保温管道原使用保温层为三层硅酸铝针刺毯,上述材质导热系数较高,保温效果较差,且保温厚度不足,长距离使用热损较大,是造成热损失大的一方面原因。
3.软质无机保温材料使用时间长,在自重和水分作用下产生严重的下沉,形成上半部分薄,下半部分厚,保温结构遭到破坏是造成管网热损失大的原因之一。
4.项目处于沿海地区,海风中氯离子含量高,外护镀锌铁皮多处锈蚀损坏严重,(管道底部尤为严重)造成保温材料进水,保温大面积失效是造成管网热损失大的主要原因。
5.管网终端原设计用户为4家企业,用气量为40T/h,而实际长期用气的只有一家企业,用气量为8T/h,且为间歇性供气,此项是造成管网温降过大和热损失大的主要原因之一。

图1 老旧管道图
四、改造方案
1.将原有老旧保温拆除,检查管道各管件的使用锈蚀和磨损情况。
2.采用隔热管托以减少支架的散热损失,其比普通管托的散热损失要减少约35%-40% [1] ,本方案设计更换管托,拆除原有管托,更换具有纳米气凝胶隔热保温层,新型隔热滑动/导向/固定管托,在争取原设计院意见,将管托间距增大,去除不必要管托,以减少较大热损失点数量,综合考虑管道使用年限和锈蚀情况,管托间距改为12m。(管托高度与原有管托保持一致)
3.利用新保温材料重新保温,考虑软质保温材料存在自重下沉,容易使管道上半部分保温薄下半部分厚,保温效果变差,具体结构:
第一层:硅酸铝针刺毯δ=50mm,耐高温铝箔反射层
带耐高温支架的不锈钢打包带,管托在不锈钢打包带环向上半部分每100mm距离设置一个,管托高度15mm,带耐高温管托的不锈钢打包带间距为200mm;
第二层:欧文斯科宁超细玻璃棉δ=50mm,耐中温铝箔反射层;
带耐高温支架的不锈钢打包带,管托在不锈钢打包带环向上半部分每100mm距离设置一个,管托高度15mm,带耐高温管托的不锈钢打包带间距为200mm;
第三层:欧文斯科宁超细玻璃棉δ=50mm,普通铝箔反射层,不锈钢打包带;
第四层:外护镀锌钢板δ=0.8mm
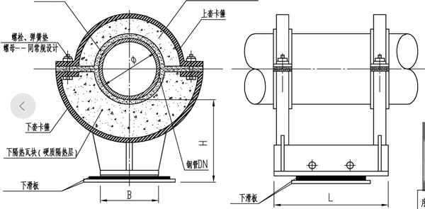
图2管道保温结构图
图3保温滑动管托结构图
4.考虑项目位于沿海地区,空气中AL+含量高,加速了镀锌钢板外护层的腐蚀速度,方案设计在镀锌钢板外护层外表面喷涂防腐四氟漆,防腐涂层实干厚度大于等于40μm,保证外护层在恶劣环境下使用寿命达到20年以上;
5.蒸汽初始参数维持不变的情况下。蒸汽流量与管道温降成反比[2]根据原设计蒸汽流量和实际用气量作比较,设计流量为40T/h,而实际使用量为8T/h,这种情况下使用DN350的蒸汽保温管会造成较大热损失,造成不必要的能源浪费;且现有用户为间歇性用气,蒸汽的启停又进一步加剧热能的损失。考虑后期满负荷运行工况,不能将DN350管径的管网进行更换,鉴于以上,我们设计一条旁路输送管道,根据现有工况参数经过计算后得出DN100保温管道既满足要求,新管道设计在老旧管道一测,与老旧管道共用一套管托,在现工况下关闭DN350管道,使用DN100保温管作为蒸汽输送管道,后期满负荷运行使用DN350管道输送蒸汽,而DN100此时作为回水管使用,回收冷凝水,再次使用,节约了水资源。
五、方案实施后的效果
项目改造完成经过一年运行,根据水力计算得出结论如下:
1.温降和压降计算
图4水力计算图
表1改造后温降和压降计算表
综上,温降和压降满足要求
2.热损失计算
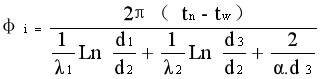
硅酸铝针丝毯保护层的导热系数:λ1 =0.044+0.0002×(Tm-70)
欧文斯科宁超细玻璃棉导热系数:λ2=0.034+0.00017(Tm-70)
通过式1核算蒸汽管道散热损失量[3] ,验证热损失是否符合要求。
式中:
φi——单位长度散热损失,W/m
λ——导热系数,W/(m.℃)
t——温度,℃)
d——直径,m
α——表面散热系数,取值=11.63W/(m2.℃)
n表示蒸汽平均温度;w表示大气温度;1-3表示保温材料
经计算,蒸汽散热损失量为36.25/㎡,热损失满足要求。
图5 改造后保温管道
六、结论
1.架空蒸汽保温管道采用隔热管托以减少支架位置的局部散热损失,散热损失要减少约35%-40% ;
2.带耐高温支架的不锈钢打包带的使用能有效的预防软质保温材料因自重产生的下沉现象,避免了保温管道保温层上部分薄,下部分厚,大大延长保温结构使用寿命;
3.架空蒸汽保温管道外护层防腐需要根据不同区域制定不同的防腐方案,在沿海地区就需要做耐酸碱重防腐;
4.管网设计副管到作为蒸汽输送使用,在现有工况下大大降低了管道热损失,保证终端用户使用参数,节约能源,同时在后期满负荷工况下,副管可以作为回水管使用,节约水资源
[1]丁巧芬.浅谈隔热管托在蒸汽工程中的应用效果 [J].企业技术开发,2015,34(35):53.
[2]张全斌.超长距离蒸汽供热技术探析[J].区域供热,2008(1)114-118.
[3]GB50264-2013,工业设备及管道绝热工程设计规范[S].北京:中国出版社,2013.